CKA
- 簡介: CKA型為基本型楔塊超越離合器,使用時可根據需要安裝軸承以承受軸向與徑向負荷。單向自鎖可靠,反向解脫輕便。適用于極限轉速為:800-2500r/min,公稱轉矩為:31.5-4500N·m…
產品詳細

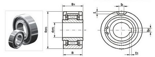
CKA型為基本型楔塊超越離合器,使用時可根據需要安裝軸承以承受軸向與徑向負荷。單向自鎖可靠,反向解脫輕便。適用于極限轉速為:800-2500r/min,公稱轉矩為:31.5-4500N·m。常用于包裝機械、印刷機械、食品機械、醫療機械、紡織機械、各種機床和減速機等機械傳動。

快速咨詢熱線:13608650855

CKA型為基本型楔塊超越離合器,使用時可根據需要安裝軸承以承受軸向與徑向負荷。單向自鎖可靠,反向解脫輕便。適用于極限轉速為:800-2500r/min,公稱轉矩為:31.5-4500N·m。常用于包裝機械、印刷機械、食品機械、醫療機械、紡織機械、各種機床和減速機等機械傳動。
